

|
|
咨詢電話:025-84911195
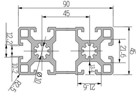
HN-10-4590 |
型材
Profile
|
45*90 |
10mm槽寬的工業鋁型材系列
|
應用說明Application: |
廣泛應用于大應力、高強度、支撐要求高的重載結構的框架組合。它通常采用M12X30高強度專用螺栓的內部連接,堅固可靠結實。
注:因模具磨損或更新可能會導致型材截面尺寸和線密度有允許范圍內的誤差。 |
技術數據: |
材料
Material
|
鋁
Aluminum(6063-T5) |
單位質量
Weight
|
4.45kg/m |
長度
Length
|
6.02m ,可根據客戶規定切割成各種規格。 |
集合慣性
Mass of Inertia
|
lx: 103.15cm4 ly: 26.60cm4 |
截面慣性
Section Modulus
|
Zx:22.40cm3 Zy: 11.20cm3 |
訂貨號
Order No.
|
HN-10-4590 |
|