 
|
|
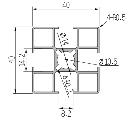
HN-8-4040A |
型材
Profile
|
40*40 |
8mm槽寬的工業鋁型材系列 |
應用說明Application: |
適用于應力及強度較大的框架組合結構,它的外型采用圓角過渡,表面經過陽極氧化處理,高雅美觀并抗腐蝕,它通常采用M8X20高強度專用螺栓加彈性扣件的內部連接方式,堅固而又可靠,是工業框架應用最廣泛的型材之一。
注:因模具磨損或更新可能會導致型材截面尺寸和線密度有允許范圍內的誤差。
|
技術數據: |
材料
Material
|
鋁
Aluminum(6063-T5) |
單位質量
Weight
|
1.35 kg/m |
長度
Length
|
6.02m ,可根據客戶規定切割成各種規格。 |
集合慣性
Mass of Inertia
|
lx: 9.70cm4 ly: 9.70cm4 |
截面慣性
Section Modulus
|
Zx: 5.10cm3 Zy: 5.10cm3 |
訂貨號
Order No.
|
HN-8-4040A |
|